Filter za naftne derivate
Filter za naftne derivate
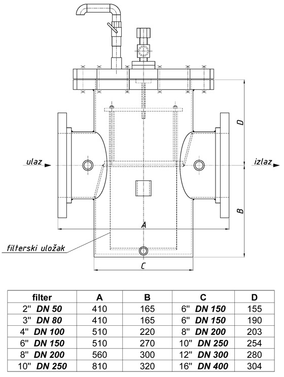
Obrt Ermacora proizvodi i prodaje filtere za naftne derivate koje izrađujemo od materijala sa atestima pouzdanih dobavljača. Filteri se koriste u naftnoj i procesnoj industriji za mehaničko odvajanje nečistoća iz naftnih derivata. Ugrađuju se kao element cjevovoda (standard ugradbenih prirubnica prema narudžbi: ANSI, DIN), te pružaju isplativ način zaštite skupih pumpi, ventila i druge mehaničke i mjerne opreme.
FILTER ZA NAFTNE DERIVATE od 2″ do 10″

Uložak filtera (košarica) dodatno se obrađuje cinčanjem. Finoća filtriranja je prema zahtjevu. Filter je opremljen zglobnim vijcima i davit sklopom što pristup ulošku radi pregleda i čišćenja čini brzim i jednostavnim.